Épületgépészek által elkövetett hibatípusok I., a reakció
2012. október 2. | e-gépész | | 2 |
Homor kolléga felvetése több szempontból is hatásos volt, sok hozzászólást generált. Kardos Ferenc reagálása, ábrákkal körítve annyira komolyra sikerült, hogy indokoltnak láttuk külön cikkben leközölni.
Más is említette már, hogy a rendszer pontos ismerete nélkül nem lehet optimális felépítést javasolni.
A feladvány úgy szól, hogy a Bio valami az lehet:
1. Faelgázosító kazán, ill. értelemszerűen annak a puffertárolója (erre a tárolóra nem szokás napkollektort kötni, kár lenne a fáradtságért)
2. Napkollektoros rendszer, (természetesen egy fűtési pufferre gondolunk ilyenkor)
3. És az előzőekhez hasonló központok (ezt nem értem, az egyik alma, a másik körte, mi hasonlít hozzájuk…), ha lenne konkrét alkalmazás, akkor lehetne véleményt alkotni, nem ajánlatos uniformizálni, egyedileg kell megtervezni a legalkalmasabb műszaki megoldást.
Az 1. esetben a kondenzációs kazán (ha együtt telepítik a faelgázosítóval, bár vitatható, minek mindkettő, és semmiképpen nem gyakori egy ilyen párosítás) VAGY kapcsolatban kell legyen a faelgázosító kazánnal, mert annak nem látom értelmét, hogy szimbiózisban működjenek, rontva a kondenzáció kialakulásának lehetőségét.
Ha ilyen rendszerem van, és fűtök a faelgázosítóval, akkor ezt azért teszem, mert a jelenlegi árak mentén több mint 50 % megtakarítást érhetek el a földgázhoz képest.
Tehát nem is szeretném, ha ekkor bekapcsolna a kondenzációs kazán!
Nem életszerű az „icike-picikére” lemoduláló kondenzációs kazánról való értekezés.
Nem lesz ilyen üzemmód, nincsen rá szüksége senkinek.
Ha már túl alacsony a fagázos puffer hőmérséklete, akkor automatikusan vissza kell kapcsolódni a gázkazánra, és így is maradhat, amíg valaki újra megpakolja a faelgázosító kazánt.
Értem én, van egy új fejlesztésű U…al kazán, amelyik 9 %-ra is le tud modulálni :)
Ebben az esetben viszont a műszaki feladvány veszít a hitelességéből, nehogy az legyen a végeredmény, hogy kinek a melyik termékét szabad kizárólag megvásárolni.
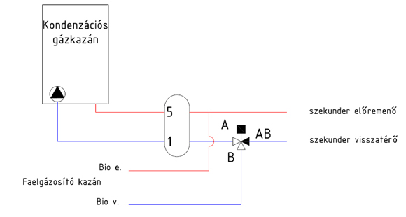
Tehát, ha faelgázosító a Bio valami, akkor az alábbi kapcsolást alkalmaznám. Attól függően, hogy milyen hőleadók vannak a rendszerben (erről nem szólt a fáma), lehet időjárásfüggő szabályzás, vagy sem.
Ennél a megoldásnál nem kell külön szivattyút beépíteni, hiszen a hidrováltóból eddig is elszállította egy (vagy több) szivattyú a fűtővizet.
A nem definiált hőleadók irányában az esetleges osztók nyomásmentesítését a fűtéspuffer ellátja.
A szelep mindaddig AB-B állásban van, amíg a fűtéspuffer felső rétegében mért hőmérséklet a beállított érték felett van. Ezt a hőmérsékleti értéket a hőleadók legalacsonyabb üzemi hőmérsékletének megfelelően a lehető legkisebbre kell állítani. Ebben az időszakban letiltható a gázkazán működése. A HMV termelés ez esetben ismeretlen módon történik, nem volt része a feltett kérdésnek. Ha annak is meg akarunk felelni, akkor egy lényegesen bonyolultabb és költségesebb hidraulikára és vezérlésre lesz szükség, és újra felmerül a többletberuházás várható többlethozamának mértéke és értelme.
A 2. esetben teljesen más hidraulikának kell létesülni, hiszen a napenergia esetleges, viszont ingyen van, tehát egyik hőtermelő, vagy másik hőtermelő, ill. mindkettő együtt üzemel lehetőséggel érdemes üzemeltetni a szolár eredetű Bio valamit. Ilyenkor a fő szempont a lehető legoptimálisabb napkollektor üzemmód elérése.
Ennek több fontos tétele van, esetünkben egyről érdemes beszélni, a napenergiás puffer minél alacsonyabb hőmérsékletre való kisütéséről.
Ez azért fontos, mert a napkollektorok hatásfoka növekvő abszorber hőmérséklettel csökken. Ha alacsonyabb hőmérsékletre tudjuk kisütni a fűtéspuffert, akkor alacsonyabb hőmérsékletre visszük a kollektor bekapcsolási hőmérsékletét, és többet tudunk begyűjteni az ingyen energiából.
Ehhez a legjobb csatlakozás (lenne!) a szekunder visszatérő ágba sorosan kapcsolni a fűtéspuffert, mindaddig, amíg a fűtéspuffer kimeneti vízhőmérséklete magasabb, mint a szekunder visszatérő hőmérséklet.
Ezen a ponton alacsonyabb a folyadékhőmérséklet, mint az 1-es ponton, minden kazán bekapcsolásnál egy ideig helyiséghőmérsékletű a víz, amíg az előremenő melegvíz megfordul a hőleadókban.
Amint a visszatérő víz hőmérséklete eléri a puffer kimeneti hőmérsékletét, akkor a háromjáratú szelep kizárja az áramlást a tárolóból, és a víz a tárolót megkerülve halad a hidrováltóba.
Ez lenne a legalacsonyabb pufferhőmérsékletet eredményező megoldás, mégsem ezt szoktuk ajánlani, mert a HMV termelés szoláris kiváltása a legfőbb szempont napkollektorok használatánál, mivel a melegvíz-igény az év 365 napján jelentkezik.
A májusi és szeptemberi időszakban gyakran előfordul, hogy fűteni már/még nem kell, de a fűtési puffertároló teli van forró vízzel (a kerti medence sem működik ebben az időszakban. Jöhet néhány esős nap, jó lenne ilyenkor visszanyerni a fűtéspufferből a hőenergiát, hiszen ott a 90 °C-os forró víz.
A kazánok jelentős része belső HMV/ fűtés váltócsappal rendelkezik, tehát a visszatérő ágon beáramló forró víz nem engedi begyújtani a kazánt, és így visszacsatoljuk a puffer hőenergiáját a HMV tárolóba.
Cirkóknál ez a módszer nem alkalmazható.
Nyilván több fontos szempont van egy hidraulikus kapcsolás kimunkálásakor, olykor nem egyszerű eldönteni, melyik tényező előtérbe helyezése okozza a legnagyobb megtakarítást.
Az ingyenes napenergia ebben az esetben nagyobb megtakarítást jelent, mint a kondenzációs kazán hatásfokának néhány %-os csökkenése, amely csak a szolárenergia bevezetése idején áll fenn.
Itt sem kell újabb szivattyú, egyetlen váltócsap szükséges egy dT vezérléssel, amelyet egy közepes tudásszintű szolárvezérlő kezelni képes.
Áramlási irány fűtésrásegítéskor (fűtési pufferen mért PT hőmérséklet magasabb, mint a visszatérő ágon mért PT hőfok):
1 – AB – B – 6 – 7 – kazánsziv. – 5
Kisütött puffernél:
1 – AB – A – kazánsziv. – 5
HMV termelés rásegítésnél:
AB – B – 6 – 7 – kazánsziv. – HMV előre – 8 – PT - AB
A kazán HMV termeléshez tartozó előremenő hőmérsékletét a lehető legalacsonyabbra állítjuk a puffer alacsonyra való kisütése miatt, ez a fűtési idényen kívül lesz fontos.
Hozzászólások
A hozzászóláshoz be kell jelentkeznie.
Kardos-Kunszt Ferenc | 2012. okt. 4.
Az eredeti kapcsolás HMV-vel való bővítése Tóth Gábor érdeme(Napmester Kft.) Ha a visszatérőben van a váltócsap, akkor egy külső háromjáratúval kell még kiegészíteni a hidraulikát, amelyet együtt vezérlünk a belsővel. Feltegyük ezt a rajzot is?
Németh Szabó László | 2012. okt. 3.
A második kapcsolás nagyon tetszik, ötletes! Egy gond lehet, ha a gázkazánban a visszatérőben van a váltószelep.

